
Мотор-редукторы планетарные одноступенчатые типа МПО1М-10: характеристики, устройство, принцип работы, цена. Город Калининград, Калининградская область |
|
Одноступенчатые планетарные мотор-редукторы серии МПО1М-10 применятся преимущественно в химической промышленности. Способ крепления – опорный фланец, установка вертикальная или горизонтальная. Номенклатура серии МПО1М-10 представлена двумя вариантами передаточных чисел (5,74 и 7,34). Штатно на редукторы устанавливаются общепромышленные асинхронные электродвигатели серии АИР, возможна установка взрывозащищенных двигателей или двигателей со встроенным тормозом. |
|
УСЛОВИЯ ПРИМЕНЕНИЯ РЕДУКТОРОВ
- Реверс выходного вала в любую сторону без потери момента
- Время работы до 24 час/сут, режим работы S1 (ГОСТ 183-74)
- Напряжение питания 220/380В от сети переменного тока с частотой 50 Гц
- Климатические условия (У, Т) категория размещения (1, 2)
- Запыленность токопроводящей пылью не более 10мг/м3
- Температурный режим от -40°С до +45°С
- Частота вращения электродвигателя не должна превышать 1500 об/мин
- Максимально крутящий момент на выходном валу 430 Нм
- Радиальная и консольная нагрузка на выходном валу не должна превышать 1500Н.
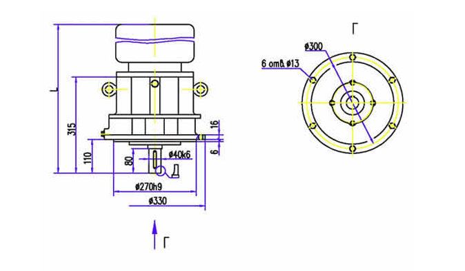
Габаритные и присоединительные размеры
Ф - горизонтальное исполнение (крепление на опорном фланеце)

В – исполнение

ВК – исполнение

Ф2В – исполнение

Ф2П – исполнение

Технические характеристики
Модель мотор-редуктора |
Передаточное число |
Частота вращения выходного вала, об/мин |
Крутящий момент на выходном валу, Нм |
Электродвигатель |
Масса кг |
Модель |
Мощность, кВт |
МПО1М-10-7,34-3,0/130 |
7,34 |
130 |
210 |
АИР112М6 |
3,0 |
125 |
МПО1М-10-5,74-3,0/170 |
5,74 |
170 |
160 |
АИР112М6 |
3,0 |
125 |
МПО1М-10-5,74-5,5/170 |
5,74 |
170 |
290 |
АИР132S6 |
5,5 |
150 |
МПО1М-10-7,34-3,0/195 |
7,34 |
195 |
140 |
АИР100S4 |
3,0 |
105 |
МПО1М-10-7,34-5,5/195 |
7,34 |
195 |
260 |
АИР112М4 |
5,5 |
125 |
МПО1М-10-5,74-3,0/250 |
5,74 |
250 |
110 |
АИР100S4 |
3,0 |
105 |
МПО1М-10-5,74-5,5/250 |
5,74 |
250 |
205 |
АИР112М4 |
5,5 |
125 |
МПО1М-10-5,74-7,5/250 |
5,74 |
250 |
278 |
АИР132S4 |
7,5 |
150 |
|
| |