Одноступенчатые червячные мотор-редукторы Bonfiglioli (Бонфиглиоли) VF27, VF30, VF44, VF49, W63, W75, W86, W110, VF130, VF150, VF185, VF210, VF250: характеристики, устройство, принцип работы, цена

Bonfiglioli (Бонфиглиоли) VF27, VF30, VF44, VF49, W63, W75, W86, W110, VF130, VF150, VF185, VF210, VF250

Червячные мотор-редукторы BONFIGLIOLI зарекомендовали себя как надежные изделия. Мотор-редукторы BONFIGLIOLI успешно используются во всех отраслях промышленности, так как совмещают в себе высокое качество и низкую стоимость. Редукторы имеют большой выбор установочных вариантов и дополнительных опций. На базе серии VF и W для получения высоких значений передаточных чисел реализуются двух ступенчатые цилиндро-червячные или червячно-червячные конструкции.

 

Передаточные числа редукторов от 5/1 до 10000/1. Максимальный крутящий момент 7000 Нм. Мотор-редукторы BONFIGLIOLI могут быть укомплектованы электродвигателями с со встроенным электротормозом или взрывозащитой. Дополнительно можно установить оптический энкодер или термистор. Корпус в форме куба со специально обработанными поверхностями упрощает монтаж мотор-редуктора и позволяет устанавливать дополнительное оборудование.

Корпуса редукторов VF 27, VF 30, VF 44, VF 49, W63, W75, W86 - изготовлены из силумина, а редукторы W110, VF 130, VF 150, VF 185, VF210, VF250 – выполнены из чугуна.

Серия имеет следующие типоразмеры:
VF 27 - VF 30 - VF 44 - VF 49 - W63 - W75 - W86 - W110 - VF 130 - VF 150 - VF 185 - VF210 - VF250

Червячные мотор-редукторы BONFIGLIOLI

Система обозначения червячных мотор-редукторов серии VF/W

W-63-L1-UF1-25-20-S2-B14-B3-CW-BN-63A-4-230/400-50-IP54-CLF-B5-FD-3,5-R-SB-220SA

1. W – тип мотор-редуктора (VF, W - червячный мотор-редуктор, VFR, WR – цилиндро-червячный редуктор, VF/VF, VF/W, W/VF - комбинация из двух червячных редукторов);
2. 63 – габарит (межосевое расстояние, мм: 27, 30, 44, 49, 63, 75, 86, 110, 130,150,185, 210, 250);
3. L1 – ограничитель крутящего момента (L1, L2, LF);
4. UF1 – вариант исполнения;
5. 25 – диаметр выходного вала;
6. 20 – передаточное отношение;
7. S2 – конфигурация на входе (P IEC – двигатель и редуктор, S – редукторный электродвигатель, HS – входной цилиндрический вал);
9. B14 – тип фланца электродвигателя (B5 – большой фланец, B14 – маленький фланец);
10. B3 – установочное положение редуктора (B3, B6, B7, B8, V5, V6);
11. CW – установочная конфигурация (CW, CCW);
12. BN – Тип электродвигателя (M – трехфазный интегральный электродвигатель, K – трехфазный компактный электродвигатель, BN – трехфазный электродвигатель IEC);
13. 63A – типоразмер электродвигателя;
14. 4 – количество полюсов (2, 4, 6, 8);
15. 230/400-50 – напряжение (В) и частота (Гц) питания электродвигателя;
16. IP54 – степень защиты;
17. CLF – класс изоляции (CLF – стандартное исполнение, CLH - под заказ);
18. B5 – вариант конструкции;
19. FD – тип тормоза;
20. 3,5 – тормозной момент в Нм;
21. R – рычаг ручного растормаживания;
22. SB – тип питания тормоза (переменное);
23. 220SA – напряжение (В) питания электротормоза.

Типоразмер
M max, Нм

D - выходного вала,

мм

VF 27
14
9
VF 30
25
14
VF 44
56
18
VF 49
89
25
W63
190
25
W75
320
28 (30)
W86
440
35
W110
830
42
VF 130
1500
45
VF 150
2100
50
VF 185
3650
60
VF210
5100
90
VF250
7000
110

 

Габаритные и присоединительные размеры

Червячный редуктор VF 27

Червячный редуктор VF 30

Червячный редуктор VF 44

Червячный редуктор VF 49

Червячный редуктор W 63

Червячный редуктор W 75

Червячный редуктор W 86

Червячный редуктор W 110

Червячный редуктор VF 130

Червячный редуктор VF 150

Червячный редуктор VF 185

Червячный редуктор VF 210

Червячный редуктор VF 250

Реактивная штанга, выходной вал - размеры

Унифицированные опоры-лапы, защитный колпак

Монтажные положения VF/W

Вес червячных редукторов серии VF/W, кг

 

Выходные обороты и мощность электродвигателей (кВт) pdf.

 

 

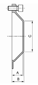
Реактивная штанга, выходной вал

 

Реактивная штанга

VF, W
A
B
C
D
E
F
G
H
I
30
100
40
157,5
50
65
7
14
8
4
44
100
40
157,5
50
65
7
14
8
4
49
100
55
172,5
68
94
7
14
8
4
63
150
55
233
75
90
9
20
10
6
75
200
63
300
90
110
9
25
20
6
86
200
80
318
110
130
11
25
20
6
110
250
100
388
130
165
13
25
20
6
130
300
125
470
180
215
13
30
25
6
150
300
125
470
180
215
15
30
25
6
185
350
150
545
230
265
17
30
25
6
210
350
175
625
250
300
19
60
50
8
250
400
225
725
350
400
19
60
50
10

Назад

Выходной вал односторонний
Выходной вал двухсторонний

 

VF, W
C
D
D1
E
F
F1
F2
M
L
N
V
X
Y
30
30
14
14
35
55
5
16
61
120
96
M5x13
5
20
44
40
18
18
45
64
6
20,5
70
149,4
115
M6x16
5
30
49
60
25
25
65
82
8
28
89
208,4
154
M8x19
5
50
63
60
25
25
65
120
8
28
127
246,4
192
M8x19
5
50
75_D28
60
28
28
65
127
8
31
134
255
199
M8x20
5
50
75_D30
60
30
30
65
127
8
33
134
255
199
M10x22
5
50
86
60
35
35
65
140
10
38
149
268
214
M10x22
5
50
110
75
42
42
80
155
12
45
164
313,5
244
M12x28
7,5
60
130
80
45
45
85
165
14
48,5
176
334,5
261
M12x32
5
70
150
85
50
50
93
175
14
53,5
185
355
278
M16x40
7,5
70
185
100
60
60
110
190
18
64
200
400
310
M16x40
10
80
210
130
90
90
140
260
25
95
255
540
395
M20x50
5
120
250
165
100
100
175
320
28
116
315
670
490
M24x64
15
140

Назад

Унифицированные опоры-лапы KA, KV (унификация с серией VF)

A
H
M
N
O
P
R
S
T
U
W 63 – WR 63
100
27,5
111
95
11
8
135
145
56,5
15,5
W 75 – WR 75
115
28
115
120
11
9
139
174
56,5
15,5
W 86 – WR 86
142
42
146
140
11
11
170
200
69
20
W 110 – WR 110
170
45
181
200
13
14
210
250
69
20

Назад

Защитный колпак

A
B
C
W 63 - WR 63
26,5
29
Ø35
W 75 - WR 75
24,5
27
Ø54
W 86 - WR 86
26,5
29
Ø71
W 110 – WR 110
27,5
30
Ø89

 

Назад

Вес червячных редукторов серии (VF, W) Bonfiglioli, кг

VF 27
0,7
VF 30
1
VF 44
2
VF 49
3
W 63
7
W 75
10
W 86
14
W 110
29
VF 130
49
VF 150
60
VF 185
94
VF 210
210
VF 250
310

 

 
© 2014 Редукторы, мотор-редукторы, устройства плавного пуска, преобразователи частоты