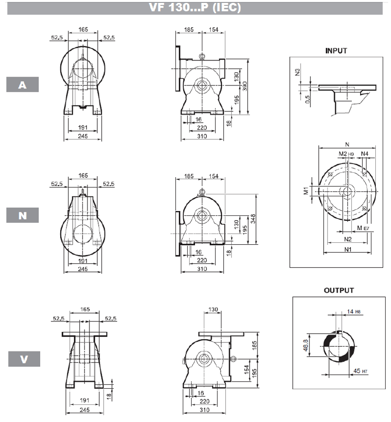
Габаритно-присоединительные размеры VF130

 

Назад

Габаритно-присоединительные размеры VF130

Габаритно-присоединительные размеры VF130

Назад

 
© 2014 Редукторы, мотор-редукторы, устройства плавного пуска, преобразователи частоты