Техническое описание
Условия применения
Габаритные и присоединительные размеры
Размеры выходного вала
Технические характеристики
Монтажное исполнение
Паспорт
Техническое описание 3МП-31.5, 3МП-40, 3МП-50, 3МП-63, 3МП-80, 3МП-100, 3МП-125
Мотор-редукторы 3МП-31.5, 3МП-40, 3МП-50, 3МП-63, 3МП-80, 3МП-100, 3МП-125 относятся к группе приводов с планетарной передачей. Корпус редуктора изготовлен из чугуна, что позволяет использовать его в агрессивной среде. В виду особенности планетарного механизма, редуктор можно использовать в качестве мультипликатора.
УСЛОВИЯ ПРИМЕНЕНИЯ РЕДУКТОРОВ 3МП-31.5, 3МП-40, 3МП-50, 3МП-63, 3МП-80, 3МП-100, 3МП-125
- Планетарный механизм может эксплуатироваться до 24 часов в сутки при условии отсутствия перегрева.
- Допустимо и использовать привод с постоянной или переменной нагрузкой, не превышающей максимальный момент.
- Внешняя среда не должна содержать токопроводящую пыль и взрывоопасные газы.
- Мотор-редуктор предназначен для работы в условиях умеренного климата в пределах температурных режимов -45°С до +45°С.
- Если мотор-редуктор планируется использовать вне помещения под открытым небом, требуется устанавливать навес, исключающий попадание воды в привод.
Крепление лапы G110
Крепление фланец G310
Габаритные и присоединительные размеры
G110 - на лапах

Обозначение мотор-редуктора |
Частота вращения выходного вала, об/мин |
L |
B |
H |
L 1 |
L 2 |
B 1 |
B 2 |
H 1 |
H 2 |
H 3 |
d1 |
Не более |
3МП-25 |
3,55…16 |
397 |
150 |
160 |
63 |
110 |
120 |
150 |
80 |
12 |
- |
12 |
18…90 |
417 |
160 |
171 |
- |
112…280 |
478 |
200 |
205 |
20 |
3МП-31,5 |
3,55…16 |
460 |
190 |
215 |
86 |
130 |
155 |
190 |
100 |
15 |
- |
15 |
18…90 |
510 |
200 |
225 |
- |
112…280 |
590 |
250 |
247 |
25 |
3МП-40 |
3,55…16 |
500 |
224 |
247 |
110 |
170 |
180 |
220 |
112 |
22 |
- |
20 |
18…90 |
625 |
250 |
247 |
- |
112…280 |
725 |
350 |
305 |
63 |
3МП-50 |
3,55…16 |
637 |
270 |
295 |
145 |
210 |
220 |
266 |
132 |
22 |
- |
22 |
18…90 |
682 |
270 |
295 |
- |
112…280 |
925 |
350 |
360 |
43 |
3МП-63 |
3,55…16 |
652 |
350 |
345 |
147 |
230 |
260 |
325 |
160 |
32 |
- |
24 |
18…90 |
741 |
350 |
345 |
- |
112…280 |
960 |
400 |
440 |
- |
3МП-80 |
3,55…16 |
810 |
380 |
400 |
175 |
325 |
320 |
380 |
200 |
40 |
- |
35 |
18…90 |
915 |
380 |
420 |
- |
112…280 |
1240 |
550 |
510 |
75 |
3МП-100 |
3,55…16 |
850 |
415 |
420 |
200 |
340 |
340 |
415 |
235 |
40 |
- |
35 |
18…90 |
1080 |
415 |
485 |
- |
112…280 |
1305 |
550 |
570 |
40 |
3МП-125 |
3,55…16 |
1070 |
500 |
540 |
270 |
380 |
400 |
500 |
275 |
50 |
- |
42 |
18…90 |
1360 |
535 |
570 |
- |
112…280 |
1415 |
590 |
630 |
20 |
G310 - фланцевое исполнение

Обозначение мотор-редуктора |
Частота вращения выходного вала, об/мин |
L |
B |
L 3 |
L 4 |
L 5 |
D |
D 1 |
D 2 |
d 2 |
n |
Не более |
3МП-25 |
3,55…16 |
397 |
150 |
4 |
10 |
50 |
155 |
110 |
130 |
12 |
4 |
18…90 |
417 |
160 |
112…280 |
478 |
200 |
3МП-31,5 |
3,55…16 |
460 |
190 |
5 |
12 |
68 |
180 |
130 |
155 |
12 |
6 |
18…90 |
510 |
200 |
112…280 |
590 |
250 |
3МП-40 |
3,55…16 |
500 |
224 |
6 |
16 |
90 |
200 |
130 |
165 |
15 |
6 |
18…90 |
625 |
250 |
112…280 |
725 |
350 |
3МП-50 |
3,55…16 |
637 |
270 |
8 |
18 |
124 |
250 |
180 |
215 |
17 |
6 |
18…90 |
682 |
270 |
112…280 |
925 |
350 |
3МП-63 |
3,55…16 |
652 |
350 |
8 |
20 |
124 |
300 |
230 |
265 |
19 |
6 |
18…90 |
741 |
350 |
112…280 |
960 |
400 |
3МП-80 |
3,55…16 |
810 |
400 |
10 |
22 |
152 |
400 |
320 |
350 |
22 |
6 |
18…90 |
915 |
400 |
112…280 |
1240 |
550 |
3МП-100 |
3,55…16 |
850 |
500 |
14 |
28 |
180 |
500 |
400 |
450 |
22 |
8 |
18…90 |
1080 |
500 |
112…280 |
1305 |
550 |
3МП-125 |
3,55…16 |
1070 |
600 |
18 |
35 |
245 |
600 |
480 |
540 |
26 |
8 |
18…90 |
1360 |
600 |
112…280 |
1415 |
600 |
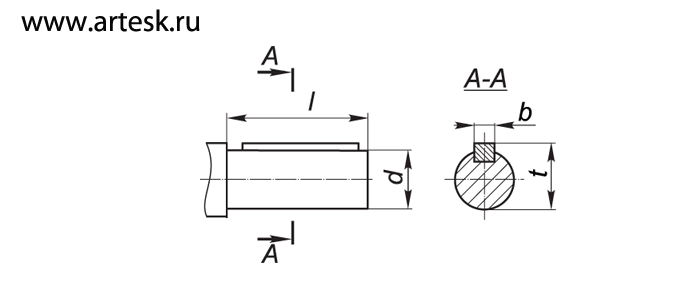
Размеры выходного вала
Цилиндрический вал - Ц

Мотор-редуктор |
d |
d1 |
l |
l1 |
b |
t |
3МП-25 |
25 |
М16х1,5 |
60 |
42 |
5 |
13,45 |
3МП-31,5 |
28 |
М16х1,5 |
60 |
42 |
5 |
14,95 |
3МП-40 |
35 |
М20х1,5 |
80 |
58 |
6 |
18,55 |
3МП-50 |
45 |
М30х2,0 |
110 |
82 |
12 |
23,45 |
3МП-63 |
55 |
М36х3,0 |
110 |
82 |
14 |
28,95 |
3МП-80 |
70 |
М48х3,0 |
140 |
105 |
18 |
36,38 |
3МП-100 |
80 |
М56х4,0 |
170 |
130 |
20 |
41,25 |
3МП-125 |
110 |
М80х4,0 |
210 |
165 |
25 |
55,88 |
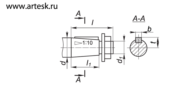
Конический вал - К

Мотор-редуктор |
d |
l |
b |
t |
3МП-25 |
25k6 |
42 |
8 |
28 |
3МП-31,5 |
28k6 |
60 |
8 |
31 |
3МП-40 |
35k6 |
80 |
10 |
38 |
3МП-50 |
45k6 |
110 |
14 |
48,5 |
3МП-63 |
55k6 |
110 |
16 |
59 |
3МП-80 |
70k6 |
140 |
20 |
74,5 |
3МП-100 |
80k6 |
160 |
22 |
85 |
3МП-125 |
110k6 |
220 |
28 |
116 |
Полый вал - П

Мотор-редуктор |
d |
l |
b |
t |
3МП-25 |
- |
3МП-31,5 |
25Н7 |
55 |
8 |
28,1 |
3МП-40 |
30Н7 |
70 |
8 |
33,1 |
3МП-50 |
40Н7 |
80 |
12 |
43,3 |
3МП-63 |
- |
3МП-80 |
- |
3МП-100 |
- |
3МП-125 |
- |
Технические характеристики 3МП-31.5, 3МП-40, 3МП-50, 3МП-63, 3МП-80, 3МП-100, 3МП-125
Частота вращения выходного вала, об/мин |
Крутящий момент, Нм |
Передаточное число |
Радиальная нагрузка, Н |
Сервис-фактор |
Тип мотор- редуктора |
Электродвигатель IEC |
0.12 квт |
4.6 |
250 |
195.24 |
12900 |
3.3 |
3МП50 |
MS63M6 |
5.4 |
210 |
166.59 |
13000 |
3.9 |
6.2 |
186 |
145.67 |
13000 |
4.4 |
5.1 |
225 |
176.88 |
5760 |
1.35 |
3МП40 |
MS63M6 |
5.5 |
210 |
162.94 |
5830 |
1.45 |
6.4 |
178 |
139.99 |
5920 |
1.70 |
7.4 |
155 |
121.87 |
5980 |
1.95 |
7.8 |
147 |
176.88 |
6000 |
2.0 |
3МП40 |
MS63S4 |
8.5 |
135 |
162.94 |
6030 |
2.2 |
9.9 |
116 |
139.99 |
6070 |
2.6 |
11 |
101 |
121.87 |
6100 |
3.0 |
12 |
95 |
114.17 |
6110 |
3.2 |
14 |
84 |
100.86 |
6120 |
3.6 |
15 |
78 |
93.68 |
6130 |
3.9 |
6.7 |
172 |
134.82 |
5270 |
1.15 |
3МП31.5 |
MS63M6 |
7.3 |
157 |
123.66 |
5410 |
1.25 |
8.6 |
134 |
105.28 |
5600 |
1.50 |
9.9 |
116 |
90.77 |
5730 |
1.75 |
11 |
108 |
84.61 |
5770 |
1.85 |
12 |
94 |
73.96 |
5850 |
2.1 |
10 |
112 |
134.82 |
5750 |
1.80 |
3МП31.5 |
MS63S4 |
11 |
103 |
123.66 |
5800 |
1.95 |
13 |
87 |
105.28 |
5880 |
2.3 |
15 |
75 |
90.77 |
5930 |
2.7 |
16 |
70 |
84.61 |
5950 |
2.8 |
19 |
61 |
73.96 |
5980 |
3.3 |
0.18 квт |
4.5 |
385 |
195.24 |
12500 |
2.1 |
3МП50 |
MS63L6 |
5.2 |
330 |
166.59 |
12700 |
2.5 |
6.0 |
290 |
145.67 |
12800 |
2.8 |
6.3 |
275 |
138.39 |
12900 |
3.0 |
7.2 |
240 |
121.42 |
12900 |
3.4 |
6.8 |
255 |
195.24 |
12900 |
3.2 |
3МП50 |
MS63M4 |
7.9 |
215 |
166.59 |
13000 |
3.8 |
9.1 |
190 |
145.67 |
13000 |
4.3 |
9.5 |
180 |
138.39 |
13000 |
4.6 |
7.5 |
230 |
176.88 |
5740 |
1.30 |
3МП40 |
MS63M4 |
8.1 |
210 |
162.94 |
5810 |
1.40 |
9.4 |
182 |
139.99 |
5910 |
1.65 |
11 |
159 |
121.87 |
5980 |
1.90 |
12 |
149 |
114.17 |
6000 |
2.0 |
13 |
131 |
100.86 |
6040 |
2.3 |
14 |
122 |
93.68 |
6060 |
2.5 |
16 |
111 |
84.90 |
6080 |
2.7 |
7.0 |
245 |
123.66 |
3060 |
0.80 |
3МП31.5 |
MS63L6 |
8.3 |
210 |
105.28 |
4840 |
0.95 |
9.6 |
179 |
90.77 |
5190 |
1.10 |
10 |
167 |
84.61 |
5310 |
1.20 |
9.8 |
176 |
134.82 |
5230 |
1.15 |
3МП31.5 |
MS63M4 |
11 |
161 |
123.66 |
5370 |
1.25 |
13 |
137 |
105.28 |
5580 |
1.45 |
15 |
118 |
90.77 |
5710 |
1.70 |
16 |
110 |
84.61 |
5760 |
1.80 |
18 |
96 |
73.96 |
5840 |
2.1 |
19 |
90 |
69.33 |
5870 |
2.2 |
22 |
80 |
61.18 |
5920 |
2.5 |
24 |
73 |
55.76 |
5940 |
2.8 |
27 |
63 |
48.08 |
5960 |
3.2 |
0.25 квт |
4.1 |
585 |
166.59 |
11600 |
1.40 |
3МП50 |
MS80N8 |
4.7 |
510 |
145.67 |
12000 |
1.60 |
4.9 |
485 |
138.39 |
12100 |
1.70 |
5.6 |
425 |
121.42 |
12400 |
1.90 |
4.5 |
530 |
195.24 |
11900 |
1.55 |
3МП50 |
MS71MS6 |
5.3 |
450 |
166.59 |
12300 |
1.80 |
6.0 |
395 |
145.67 |
12500 |
2.1 |
6.7 |
360 |
195.24 |
12600 |
2.3 |
3МП50 |
MS63L4 |
7.8 |
305 |
166.59 |
12800 |
2.7 |
8.9 |
270 |
145.67 |
12900 |
3.1 |
9.4 |
255 |
138.39 |
12900 |
3.2 |
11 |
225 |
121.42 |
13000 |
3.7 |
7.3 |
325 |
176.88 |
5280 |
0.90 |
3МП40 |
MS63L4 |
8.0 |
300 |
162.94 |
5420 |
1.00 |
9.3 |
255 |
139.99 |
5630 |
1.15 |
11 |
225 |
121.87 |
5770 |
1.35 |
11 |
210 |
114.17 |
5820 |
1.45 |
13 |
185 |
100.86 |
5900 |
1.60 |
14 |
172 |
93.68 |
5940 |
1.75 |
15 |
156 |
84.90 |
5980 |
1.90 |
17 |
140 |
76.23 |
6020 |
2.1 |
19 |
126 |
68.54 |
6050 |
2.4 |
20 |
118 |
64.21 |
6070 |
2.5 |
23 |
104 |
56.73 |
6090 |
2.9 |
25 |
97 |
52.69 |
6100 |
3.1 |
27 |
88 |
47.75 |
6080 |
3.4 |
9.6 |
250 |
134.82 |
2630 |
0.80 |
3МП31.5 |
MS63L4 |
11 |
225 |
123.66 |
4560 |
0.90 |
12 |
193 |
105.28 |
5030 |
1.05 |
14 |
167 |
90.77 |
5320 |
1.20 |
15 |
155 |
84.61 |
5420 |
1.30 |
3МП31.5 |
MS63L4 |
18 |
136 |
73.96 |
5590 |
1.45 |
19 |
127 |
69.33 |
5650 |
1.55 |
21 |
112 |
61.18 |
5750 |
1.80 |
23 |
102 |
55.76 |
5800 |
1.95 |
27 |
88 |
48.08 |
5870 |
2.3 |
29 |
82 |
44.81 |
5760 |
2.4 |
33 |
72 |
39.17 |
5540 |
2.8 |
35 |
67 |
36.72 |
5430 |
3.0 |
40 |
60 |
32.40 |
5230 |
3.4 |
0.37 квт |
4.7 |
755 |
145.67 |
10500 |
1.10 |
3МП50 |
MS90S8 |
4.9 |
720 |
138.39 |
10800 |
1.15 |
5.6 |
630 |
121.42 |
11400 |
1.30 |
5.4 |
655 |
166.59 |
11200 |
1.25 |
3МП50 |
MS80K6 |
6.2 |
570 |
145.67 |
11700 |
1.45 |
6.5 |
545 |
138.39 |
11900 |
1.50 |
7.1 |
500 |
195.24 |
12100 |
1.65 |
3МП50 |
MS71MS4 |
8.3 |
425 |
166.59 |
12400 |
1.90 |
9.5 |
375 |
145.67 |
12600 |
2.2 |
10 |
355 |
138.39 |
12600 |
2.3 |
11 |
310 |
121.42 |
12800 |
2.6 |
13 |
265 |
102.99 |
12900 |
3.1 |
15 |
240 |
92.97 |
12900 |
3.5 |
9.9 |
360 |
139.99 |
3490 |
0.85 |
3МП40 |
MS71MS4 |
11 |
310 |
121.87 |
5350 |
0.95 |
12 |
290 |
114.17 |
5460 |
1.05 |
14 |
260 |
100.86 |
5630 |
1.15 |
15 |
240 |
93.68 |
5700 |
1.25 |
16 |
215 |
84.90 |
5790 |
1.40 |
18 |
195 |
76.23 |
5870 |
1.55 |
20 |
176 |
68.54 |
5930 |
1.70 |
21 |
164 |
64.21 |
5960 |
1.80 |
24 |
145 |
56.73 |
6010 |
2.1 |
26 |
135 |
52.69 |
5990 |
2.2 |
29 |
122 |
47.75 |
5820 |
2.5 |
32 |
110 |
42.87 |
5650 |
2.7 |
37 |
95 |
36.93 |
5410 |
3.2 |
40 |
89 |
34.73 |
5310 |
3.4 |
41 |
87 |
33.79 |
5270 |
2.8 |
44 |
80 |
31.12 |
5150 |
2.8 |
52 |
69 |
26.74 |
4920 |
4.4 |
59 |
60 |
23.28 |
4720 |
5.0 |
63 |
56 |
21.81 |
4620 |
5.4 |
15 |
230 |
90.77 |
4250 |
0.85 |
16 |
215 |
84.61 |
4720 |
0.90 |
3МП40 |
MS71MS4 |
19 |
189 |
73.96 |
5070 |
1.05 |
20 |
178 |
69.33 |
5210 |
1.15 |
3МП31.5 |
MS71MS4 |
23 |
157 |
61.18 |
5410 |
1.30 |
25 |
143 |
55.76 |
5530 |
1.40 |
29 |
123 |
48.08 |
5590 |
1.60 |
31 |
115 |
44.81 |
5480 |
1.75 |
35 |
100 |
39.17 |
5290 |
2.0 |
38 |
94 |
36.72 |
5190 |
2.1 |
43 |
83 |
32.40 |
5010 |
2.4 |
48 |
74 |
28.73 |
4850 |
2.7 |
57 |
63 |
24.42 |
4620 |
3.2 |
49 |
73 |
27.32 |
4830 |
2.8 |
53 |
67 |
26.03 |
4710 |
2.8 |
62 |
57 |
22.27 |
4500 |
3.5 |
71 |
49 |
19.31 |
4320 |
4.1 |
76 |
46 |
18.05 |
4230 |
4.3 |
88 |
40 |
15.60 |
4050 |
5.0 |
104 |
34 |
13.25 |
3850 |
5.6 |
117 |
30 |
11.83 |
3720 |
6.0 |
0.55 квт |
8.2 |
645 |
166.59 |
11300 |
1.25 |
3МП50 |
MS80K4 |
9.3 |
565 |
145.67 |
11800 |
1.45 |
9.8 |
535 |
138.39 |
11900 |
1.55 |
11 |
470 |
121.42 |
12200 |
1.75 |
13 |
400 |
102.99 |
12500 |
2.1 |
15 |
360 |
92.97 |
12600 |
2.3 |
17 |
315 |
81.80 |
12800 |
2.6 |
18 |
300 |
77.24 |
12800 |
2.8 |
21 |
255 |
65.77 |
12900 |
3.2 |
15 |
360 |
93.68 |
3280 |
0.85 |
3МП40 |
MS80K4 |
16 |
330 |
84.90 |
5230 |
0.90 |
18 |
295 |
76.23 |
5450 |
1.00 |
20 |
265 |
68.54 |
5600 |
1.15 |
21 |
250 |
64.21 |
5670 |
1.20 |
24 |
220 |
56.73 |
5790 |
1.35 |
26 |
205 |
52.69 |
5770 |
1.45 |
28 |
184 |
47.75 |
5630 |
1.65 |
32 |
166 |
42.87 |
5470 |
1.80 |
37 |
143 |
36.93 |
5260 |
2.1 |
39 |
134 |
34.73 |
5180 |
2.2 |
46 |
115 |
29.88 |
4970 |
2.6 |
51 |
103 |
26.74 |
4820 |
2.9 |
58 |
90 |
23.28 |
4630 |
3.3 |
62 |
84 |
21.81 |
4550 |
3.6 |
22 |
235 |
61.18 |
3910 |
0.85 |
3МП31.5 |
MS80K4 |
24 |
215 |
55.76 |
4740 |
0.95 |
28 |
186 |
48.08 |
5120 |
1.10 |
30 |
173 |
44.81 |
5230 |
1.15 |
35 |
151 |
39.17 |
5070 |
1.30 |
37 |
142 |
36.72 |
4990 |
1.40 |
42 |
125 |
32.40 |
4840 |
1.60 |
47 |
111 |
28.73 |
4700 |
1.80 |
56 |
94 |
24.42 |
4500 |
2.1 |
61 |
86 |
22.27 |
4390 |
2.3 |
70 |
75 |
19.31 |
4220 |
2.7 |
75 |
70 |
18.05 |
4140 |
2.9 |
87 |
60 |
15.60 |
3970 |
3.3 |
103 |
51 |
13.25 |
3790 |
3.7 |
115 |
46 |
11.83 |
3670 |
4.0 |
Частота вращения выходного вала, об/мин |
Крутящий момент, Нм |
Передаточное число |
Радиальная нагрузка, Н |
Сервис-фактор |
Тип мотор- редуктора |
Электродвигатель IEC |
0.75 квт |
8.3 |
860 |
166.59 |
9490 |
0.95 |
3МП50 |
MS80N4 |
9.5 |
755 |
145.67 |
10500 |
1.10 |
10 |
720 |
138.39 |
10800 |
1.15 |
11 |
630 |
121.42 |
11400 |
1.30 |
13 |
535 |
102.99 |
11900 |
1.55 |
15 |
485 |
92.97 |
12200 |
1.70 |
17 |
425 |
81.80 |
12400 |
1.95 |
18 |
400 |
77.24 |
12500 |
2.0 |
21 |
340 |
65.77 |
12700 |
2.4 |
24 |
300 |
57.68 |
12800 |
2.7 |
27 |
270 |
52.07 |
12900 |
3.0 |
30 |
240 |
45.81 |
12900 |
3.5 |
32 |
225 |
43.26 |
13000 |
3.7 |
20 |
355 |
68.54 |
3660 |
0.85 |
3МП40 |
MS80N4 |
21 |
335 |
64.21 |
4950 |
0.90 |
24 |
295 |
56.73 |
5450 |
1.00 |
26 |
275 |
52.69 |
5480 |
1.10 |
29 |
250 |
47.75 |
5370 |
1.20 |
32 |
225 |
42.87 |
5240 |
1.35 |
37 |
192 |
36.93 |
5060 |
1.55 |
40 |
180 |
34.73 |
4980 |
1.65 |
46 |
155 |
29.88 |
4800 |
1.95 |
52 |
139 |
26.70 |
4660 |
2.2 |
58 |
122 |
23.59 |
4510 |
2.5 |
52 |
139 |
26.74 |
4660 |
2.2 |
59 |
121 |
23.28 |
4490 |
2.5 |
63 |
113 |
21.81 |
4420 |
2.7 |
72 |
100 |
19.27 |
4270 |
3.0 |
77 |
93 |
17.89 |
4180 |
3.1 |
85 |
84 |
16.22 |
4070 |
3.3 |
29 |
250 |
48.08 |
2330 |
0.80 |
3МП31.5 |
MS80N4 |
31 |
235 |
44.81 |
4230 |
0.85 |
35 |
205 |
39.17 |
4720 |
1.00 |
38 |
191 |
36.72 |
4740 |
1.05 |
43 |
168 |
32.40 |
4610 |
1.20 |
48 |
149 |
28.73 |
4490 |
1.35 |
57 |
127 |
24.42 |
4320 |
1.60 |
62 |
116 |
22.27 |
4230 |
1.75 |
71 |
100 |
19.31 |
4080 |
2.0 |
76 |
94 |
18.05 |
4010 |
2.1 |
88 |
81 |
15.60 |
3850 |
2.5 |
104 |
69 |
13.25 |
3690 |
2.8 |
117 |
61 |
11.83 |
3570 |
3.0 |
137 |
53 |
10.11 |
3420 |
3.2 |
146 |
49 |
9.47 |
3360 |
3.4 |
1.1 квт |
12 |
910 |
121.42 |
8990 |
0.90 |
3МП50 |
MS90S4 |
14 |
775 |
102.99 |
10300 |
1.05 |
15 |
700 |
92.97 |
10900 |
1.20 |
17 |
615 |
81.80 |
11500 |
1.35 |
18 |
580 |
77.24 |
11700 |
1.40 |
21 |
495 |
65.77 |
12100 |
1.65 |
24 |
435 |
57.68 |
12400 |
1.90 |
27 |
390 |
52.07 |
12500 |
2.1 |
31 |
345 |
45.81 |
12700 |
2.4 |
32 |
325 |
43.26 |
12700 |
2.5 |
38 |
275 |
36.83 |
12900 |
3.0 |
42 |
250 |
33.47 |
12900 |
3.3 |
29 |
360 |
47.75 |
3500 |
0.85 |
3МП40 |
MS90S4 |
33 |
320 |
42.87 |
4850 |
0.95 |
38 |
275 |
36.93 |
4720 |
1.10 |
40 |
260 |
34.73 |
4660 |
1.15 |
47 |
225 |
29.88 |
4520 |
1.35 |
52 |
200 |
26.70 |
4410 |
1.50 |
59 |
177 |
23.59 |
4290 |
1.70 |
60 |
175 |
23.28 |
4270 |
1.70 |
64 |
164 |
21.81 |
4210 |
1.85 |
73 |
145 |
19.27 |
4080 |
2.0 |
78 |
134 |
17.89 |
4010 |
2.2 |
86 |
122 |
16.22 |
3910 |
2.3 |
96 |
109 |
14.56 |
3800 |
2.4 |
112 |
94 |
12.54 |
3650 |
2.7 |
119 |
89 |
11.79 |
3590 |
2.8 |
138 |
76 |
10.15 |
3450 |
3.0 |
154 |
68 |
9.07 |
3340 |
3.2 |
43 |
245 |
32.40 |
2900 |
0.80 |
3МП31.5 |
MS90S4 |
49 |
215 |
28.73 |
3300 |
0.95 |
57 |
183 |
24.42 |
3720 |
1.10 |
73 |
145 |
19.31 |
3840 |
1.40 |
78 |
135 |
18.05 |
3790 |
1.50 |
90 |
117 |
15.60 |
3660 |
1.70 |
106 |
99 |
13.25 |
3520 |
1.90 |
118 |
89 |
11.83 |
3430 |
2.1 |
139 |
76 |
10.11 |
3290 |
2.2 |
148 |
71 |
9.47 |
3230 |
2.3 |
176 |
60 |
7.97 |
3090 |
2.6 |
210 |
50 |
6.67 |
2920 |
2.9 |
247 |
43 |
5.67 |
2790 |
3.3 |
277 |
38 |
5.06 |
2700 |
3.5 |
1.5 квт |
15 |
940 |
92.97 |
8500 |
0.85 |
3МП50 |
MS90L4 |
17 |
830 |
81.80 |
9820 |
1.00 |
18 |
785 |
77.24 |
10200 |
1.05 |
21 |
670 |
65.77 |
11100 |
1.25 |
24 |
585 |
57.68 |
11600 |
1.40 |
27 |
530 |
52.07 |
11900 |
1.55 |
31 |
465 |
45.81 |
12200 |
1.75 |
33 |
440 |
43.26 |
12300 |
1.85 |
38 |
375 |
36.83 |
12600 |
2.2 |
42 |
340 |
33.47 |
12700 |
2.4 |
49 |
295 |
29.00 |
12500 |
2.8 |
56 |
255 |
25.23 |
12000 |
3.0 |
60 |
240 |
23.37 |
11800 |
3.5 |
66 |
220 |
21.43 |
11500 |
3.8 |
75 |
191 |
18.80 |
11000 |
4.1 |
38 |
375 |
36.93 |
2380 |
0.80 |
3МП40 |
MS90L4 |
41 |
355 |
34.73 |
3840 |
0.85 |
47 |
305 |
29.88 |
4220 |
1.00 |
53 |
270 |
26.70 |
4140 |
1.10 |
60 |
240 |
23.59 |
4050 |
1.25 |
61 |
235 |
23.28 |
4040 |
1.25 |
65 |
220 |
21.81 |
3990 |
1.35 |
73 |
196 |
19.27 |
3890 |
1.50 |
79 |
182 |
17.89 |
3830 |
1.60 |
87 |
165 |
16.22 |
3740 |
1.65 |
97 |
148 |
14.56 |
3650 |
1.80 |
112 |
127 |
12.54 |
3520 |
1.95 |
120 |
120 |
11.79 |
3470 |
2.0 |
139 |
103 |
10.15 |
3340 |
2.2 |
155 |
92 |
9.07 |
3240 |
2.4 |
176 |
81 |
8.01 |
3140 |
2.5 |
3МП40 |
MS90L4 |
182 |
79 |
7.76 |
3060 |
2.1 |
203 |
71 |
6.96 |
2980 |
2.2 |
235 |
61 |
6.00 |
2860 |
2.6 |
250 |
57 |
5.64 |
2810 |
2.7 |
291 |
49 |
4.85 |
2700 |
3.0 |
325 |
44 |
4.34 |
2610 |
3.3 |
368 |
39 |
3.83 |
2520 |
3.7 |
73 |
196 |
19.31 |
2660 |
1.00 |
3МП31.5 |
MS90L4 |
78 |
183 |
18.05 |
2840 |
1.10 |
90 |
159 |
15.60 |
3160 |
1.25 |
106 |
135 |
13.25 |
3350 |
1.40 |
119 |
120 |
11.83 |
3270 |
1.50 |
140 |
103 |
10.11 |
3160 |
1.65 |
149 |
96 |
9.47 |
3110 |
1.75 |
177 |
81 |
7.97 |
2980 |
1.95 |
211 |
68 |
6.67 |
2820 |
2.1 |
249 |
58 |
5.67 |
2710 |
2.5 |
279 |
51 |
5.06 |
2630 |
2.6 |
326 |
44 |
4.32 |
2520 |
2.9 |
348 |
41 |
4.05 |
2470 |
3.0 |
414 |
35 |
3.41 |
2360 |
3.2 |
204 |
70 |
13.25 |
2880 |
2.7 |
3МП31.5 |
MS90S2 |
228 |
63 |
11.83 |
2790 |
2.9 |
267 |
54 |
10.11 |
2680 |
3.2 |
285 |
50 |
9.47 |
2630 |
3.3 |
339 |
42 |
7.97 |
2510 |
3.7 |
2.2квт |
21 |
980 |
65.77 |
5470 |
0.85 |
3МП50 |
MS100M4 |
24 |
860 |
57.68 |
9540 |
0.95 |
27 |
775 |
52.07 |
10300 |
1.05 |
31 |
685 |
45.81 |
11000 |
1.20 |
33 |
645 |
43.26 |
11300 |
1.25 |
38 |
550 |
36.83 |
11800 |
1.50 |
42 |
500 |
33.47 |
12100 |
1.65 |
49 |
430 |
29.00 |
12100 |
1.90 |
56 |
375 |
25.23 |
11700 |
2.1 |
60 |
350 |
23.37 |
11400 |
2.3 |
66 |
320 |
21.43 |
11200 |
2.6 |
75 |
280 |
18.80 |
10800 |
2.8 |
79 |
265 |
17.82 |
10600 |
2.9 |
90 |
230 |
15.60 |
10200 |
3.2 |
100 |
210 |
14.05 |
9910 |
3.4 |
73 |
285 |
19.27 |
3550 |
1.05 |
3МП40 |
MS100M4 |
87 |
240 |
16.22 |
3460 |
1.15 |
97 |
215 |
14.56 |
3400 |
1.20 |
112 |
187 |
12.54 |
3310 |
1.35 |
120 |
176 |
11.79 |
3270 |
1.40 |
139 |
151 |
10.15 |
3160 |
1.50 |
155 |
135 |
9.07 |
3090 |
1.65 |
176 |
119 |
8.01 |
3000 |
1.70 |
182 |
116 |
7.76 |
2910 |
1.40 |
203 |
104 |
6.96 |
2840 |
1.55 |
235 |
89 |
6.00 |
2740 |
1.75 |
250 |
84 |
5.64 |
2700 |
1.85 |
291 |
72 |
4.85 |
2600 |
2.1 |
325 |
65 |
4.34 |
2530 |
2.3 |
368 |
57 |
3.83 |
2440 |
2.5 |
117 |
179 |
23.28 |
3280 |
1.70 |
3МП40 |
MS90L2 |
125 |
168 |
21.81 |
3230 |
1.80 |
142 |
148 |
19.27 |
3150 |
2.0 |
153 |
138 |
17.89 |
3100 |
2.1 |
168 |
125 |
16.22 |
3030 |
2.2 |
187 |
112 |
14.56 |
2950 |
2.4 |
218 |
97 |
12.54 |
2850 |
2.6 |
231 |
91 |
11.97 |
2800 |
2.7 |
269 |
78 |
10.15 |
2700 |
2.9 |
301 |
70 |
9.07 |
2620 |
3.2 |
341 |
62 |
8.01 |
2530 |
3.3 |
90 |
230 |
15.60 |
1070 |
0.85 |
3МП31.5 |
MS100M4 |
106 |
198 |
13.25 |
1660 |
0.95 |
119 |
176 |
11.83 |
1990 |
1.05 |
140 |
151 |
10.11 |
2360 |
1.15 |
149 |
141 |
9.47 |
2480 |
1.20 |
177 |
119 |
7.97 |
2750 |
1.30 |
211 |
99 |
6.67 |
2470 |
1.45 |
249 |
84 |
5.67 |
2570 |
1.70 |
279 |
75 |
5.06 |
2500 |
1.80 |
326 |
64 |
4.32 |
2410 |
1.95 |
348 |
60 |
4.05 |
2370 |
2.0 |
414 |
51 |
3.41 |
2270 |
2.2 |
141 |
149 |
19.31 |
2380 |
1.35 |
3МП31.5 |
MS90L2 |
151 |
139 |
18.05 |
2510 |
1.45 |
175 |
120 |
15.60 |
2740 |
1.65 |
206 |
102 |
13.25 |
2720 |
1.85 |
231 |
91 |
11.83 |
2650 |
2.0 |
270 |
78 |
10.11 |
2550 |
2.2 |
288 |
73 |
9.47 |
2510 |
2.3 |
3МП31.5 |
MS90L2 |
342 |
61 |
7.97 |
2410 |
2.5 |
409 |
51 |
6.67 |
2280 |
2.8 |
482 |
44 |
5.67 |
2180 |
3.3 |
540 |
39 |
5.06 |
2120 |
3.5 |
632 |
33 |
4.32 |
2030 |
3.8 |
675 |
31 |
4.05 |
1990 |
3.9 |
801 |
26 |
3.41 |
1900 |
4.3 |
3.0 квт |
31 |
940 |
45.81 |
8670 |
0.85 |
3МП50 |
MS100L4 |
32 |
890 |
43.26 |
9270 |
0.95 |
38 |
755 |
36.83 |
10500 |
1.10 |
42 |
685 |
33.47 |
11000 |
1.20 |
48 |
595 |
29.00 |
11600 |
1.40 |
55 |
515 |
25.23 |
11300 |
1.50 |
60 |
480 |
23.37 |
11100 |
1.70 |
65 |
440 |
21.43 |
10800 |
1.85 |
74 |
385 |
18.80 |
10500 |
2.0 |
79 |
365 |
17.82 |
10300 |
2.1 |
90 |
320 |
15.60 |
9980 |
2.3 |
100 |
290 |
14.05 |
9700 |
2.5 |
114 |
250 |
12.33 |
9350 |
2.7 |
129 |
225 |
10.88 |
9030 |
3.0 |
145 |
197 |
9.64 |
8720 |
3.2 |
163 |
176 |
8.59 |
8500 |
3.6 |
181 |
158 |
7.74 |
8240 |
4.2 |
86 |
330 |
16.22 |
2030 |
0.85 |
3МП40 |
MS100L4 |
96 |
300 |
14.56 |
2500 |
0.90 |
112 |
255 |
12.54 |
3040 |
0.95 |
119 |
240 |
11.79 |
3040 |
1.00 |
138 |
210 |
10.15 |
2970 |
1.10 |
154 |
186 |
9.07 |
2910 |
1.20 |
175 |
164 |
8.01 |
2840 |
1.25 |
181 |
159 |
7.76 |
2740 |
1.05 |
201 |
143 |
6.96 |
2680 |
1.10 |
233 |
123 |
6.00 |
2610 |
1.25 |
248 |
115 |
5.64 |
2580 |
1.35 |
288 |
99 |
4.85 |
2490 |
1.50 |
323 |
89 |
4.34 |
2430 |
1.65 |
365 |
78 |
3.83 |
2360 |
1.85 |
237 |
121 |
11.79 |
2670 |
2.0 |
3МП40 |
MS100M2 |
270 |
104 |
10.15 |
2580 |
2.2 |
309 |
93 |
9.07 |
2510 |
2.4 |
349 |
82 |
8.01 |
2430 |
2.5 |
496 |
58 |
5.64 |
2190 |
2.7 |
3МП40 |
MS100M2 |
577 |
50 |
4.85 |
2100 |
3.0 |
646 |
44 |
4.34 |
2040 |
3.3 |
731 |
39 |
3.83 |
1970 |
3.7 |
139 |
205 |
10.11 |
780 |
0.80 |
3МП31.5 |
MS100L4 |
148 |
194 |
9.47 |
1010 |
0.85 |
176 |
163 |
7.97 |
1510 |
0.95 |
210 |
137 |
6.67 |
1250 |
1.05 |
247 |
116 |
5.67 |
1630 |
1.25 |
277 |
104 |
5.06 |
1830 |
1.30 |
324 |
88 |
4.32 |
2070 |
1.45 |
346 |
83 |
4.05 |
2140 |
1.45 |
411 |
70 |
3.41 |
2180 |
1.60 |
277 |
103 |
10.11 |
2340 |
1.65 |
3МП31.5 |
MS100M2 |
296 |
97 |
9.47 |
2380 |
1.70 |
351 |
82 |
7.97 |
2290 |
1.90 |
420 |
68 |
6.67 |
2170 |
2.1 |
494 |
58 |
5.67 |
2090 |
2.5 |
553 |
52 |
5.06 |
2030 |
2.6 |
648 |
44 |
4.32 |
1950 |
2.8 |
692 |
41 |
4.05 |
1920 |
3.0 |
821 |
35 |
3.41 |
1840 |
3.2 |
Частота вращения выходного вала, об/мин |
Крутящий момент, Нм |
Передаточное число |
Радиальная нагрузка, Н |
Сервис-фактор |
Тип мотор- редуктора |
Электродвигатель IEC |
4.0квт |
39 |
990 |
36.83 |
4070 |
0.85 |
3МП50 |
MS112M4 |
42 |
900 |
33.47 |
9100 |
0.90 |
49 |
780 |
29.00 |
10300 |
1.05 |
56 |
680 |
25.23 |
10800 |
1.15 |
61 |
630 |
23.37 |
10600 |
1.30 |
66 |
575 |
21.43 |
10400 |
1.40 |
76 |
505 |
18.80 |
10100 |
1.55 |
80 |
480 |
17.82 |
9950 |
1.65 |
91 |
420 |
15.60 |
9630 |
1.75 |
101 |
380 |
14.05 |
9380 |
1.90 |
115 |
330 |
12.33 |
9070 |
2.1 |
131 |
295 |
10.88 |
8780 |
2.3 |
147 |
260 |
9.64 |
8500 |
2.4 |
165 |
230 |
8.59 |
8320 |
2.7 |
183 |
210 |
7.74 |
8070 |
2.9 |
209 |
183 |
6.79 |
7770 |
3.2 |
237 |
161 |
5.99 |
7490 |
3.3 |
267 |
143 |
5.31 |
7230 |
3.6 |
140 |
275 |
10.15 |
1960 |
0.85 |
3МП40 |
MS112M4 |
157 |
245 |
9.07 |
2350 |
0.90 |
177 |
215 |
8.01 |
2640 |
0.95 |
252 |
152 |
5.64 |
2410 |
1.00 |
3МП40 |
MS112M4 |
293 |
131 |
4.85 |
2350 |
1.15 |
327 |
117 |
4.34 |
2300 |
1.25 |
371 |
103 |
3.83 |
2250 |
1.40 |
176 |
215 |
16.22 |
2640 |
1.25 |
3МП40 |
MS112M2 |
196 |
195 |
14.56 |
2600 |
1.35 |
228 |
168 |
12.54 |
2540 |
1.50 |
242 |
158 |
11.79 |
2510 |
1.55 |
282 |
136 |
10.15 |
2440 |
1.70 |
315 |
121 |
9.07 |
2390 |
1.80 |
357 |
107 |
8.01 |
2320 |
1.90 |
369 |
104 |
7.76 |
2250 |
1.55 |
411 |
93 |
6.96 |
2200 |
1.70 |
477 |
80 |
6.00 |
2130 |
1.95 |
507 |
75 |
5.64 |
2100 |
2.1 |
589 |
65 |
4.85 |
2020 |
2.3 |
660 |
58 |
4.34 |
1970 |
2.5 |
746 |
51 |
3.83 |
1910 |
2.8 |
5.5квт |
76 |
690 |
18.80 |
9240 |
1.15 |
3МП50 |
MS132S4 |
80 |
655 |
17.82 |
9400 |
1.20 |
92 |
575 |
15.60 |
9150 |
1.30 |
102 |
515 |
14.05 |
8950 |
1.40 |
116 |
455 |
12.33 |
8690 |
1.50 |
131 |
400 |
10.88 |
8440 |
1.65 |
148 |
355 |
9.64 |
8190 |
1.80 |
166 |
315 |
8.59 |
8080 |
2.0 |
185 |
285 |
7.74 |
7860 |
2.2 |
211 |
250 |
6.79 |
7580 |
2.3 |
239 |
220 |
5.99 |
7320 |
2.5 |
269 |
195 |
5.31 |
7070 |
2.6 |
295 |
178 |
4.85 |
1870 |
0.85 |
3МП40 |
MS132S4 |
330 |
159 |
4.34 |
2110 |
0.90 |
373 |
141 |
3.83 |
2080 |
1.00 |
230 |
230 |
12.54 |
1730 |
1.10 |
3МП40 |
MS132S2 |
244 |
215 |
11.79 |
1910 |
1.15 |
284 |
185 |
10.15 |
2250 |
1.25 |
318 |
165 |
9.07 |
2220 |
1.35 |
359 |
146 |
8.01 |
2170 |
1.40 |
480 |
109 |
6.00 |
2000 |
1.45 |
511 |
103 |
5.64 |
1970 |
1.50 |
593 |
89 |
4.85 |
1920 |
1.70 |
664 |
79 |
4.34 |
1870 |
1.85 |
752 |
70 |
3.83 |
1820 |
2.1 |
7.5квт |
76 |
940 |
18.80 |
5310 |
0.85 |
3МП50 |
MS132M4 |
80 |
890 |
17.82 |
5720 |
0.85 |
92 |
780 |
15.60 |
6610 |
0.95 |
102 |
705 |
14.05 |
7180 |
1.00 |
116 |
615 |
12.33 |
7750 |
1.10 |
131 |
545 |
10.88 |
8010 |
1.20 |
148 |
485 |
9.64 |
7810 |
1.30 |
166 |
430 |
8.59 |
7620 |
1.45 |
185 |
390 |
7.74 |
7590 |
1.55 |
211 |
340 |
6.79 |
7340 |
1.70 |
239 |
300 |
5.99 |
7110 |
1.80 |
269 |
265 |
5.31 |
6890 |
1.90 |
9.2квт |
102 |
860 |
14.05 |
4740 |
0.85 |
3МП50 |
MS132ML4 |
117 |
750 |
12.33 |
5610 |
0.90 |
132 |
665 |
10.88 |
6280 |
1.00 |
149 |
590 |
9.64 |
6800 |
1.05 |
186 |
470 |
7.74 |
6300 |
1.30 |
212 |
415 |
6.79 |
6720 |
1.40 |
240 |
365 |
5.99 |
6920 |
1.50 |
271 |
325 |
5.31 |
6720 |
1.55 |
11.0 квт |
132 |
795 |
10.88 |
4250 |
0.85 |
3МП50 |
MS160M4 |
149 |
705 |
9.64 |
5000 |
0.90 |
186 |
565 |
7.74 |
4630 |
1.10 |
212 |
495 |
6.79 |
5250 |
1.15 |
240 |
435 |
5.99 |
5720 |
1.25 |
271 |
390 |
5.31 |
6090 |
1.30 |
Монтажное исполнение

Двухступенчатые цилиндрические редукторы 1Ц2У-100, 1Ц2У-125, 1Ц2У-160, 1Ц2У-200, 1Ц2У-250
Одноступенчатые цилиндрические редукторы серии ЦУ-100, ЦУ-160, ЦУ-200, ЦУ-250
Двухступенчатые цилиндрические редукторы серии 1Ц2У-315Н, 1Ц2У-355Н, 1Ц2У-400Н, 1Ц2Н-450, 1Ц2Н-500
Трехступенчатые цилиндрические редукторы ЦЗУ-160, ЦЗУ-200, ЦЗУ-250
Одноступенчатые червячные редукторы серии 1Ч-63А
Одноступенчатые червячные редукторы Ч-100, Ч-125, Ч-160
Одноступенчатые червячные редукторы 1Ч-160
Двухступенчатые редукторы Ч2-160
Редукторы червячные одноступенчатые 4Ч-80
Одноступенчатые червячные редукторы Ч-80
Одноступенчатые червячные редукторы 2Ч-40, 2Ч-63, 2Ч-80
Цилиндрические соосные мотор-редукторы MTC A
Цилиндрические соосные мотор-редукторы R (RF)
Двухступенчатые мотор-редукторы 4МЦ2С, 4МЦ2С-63, 4МЦ2С-80, 4МЦ2С-100, 4МЦ2С-125
Цилиндрические мотор-редукторы 1МЦ2С, 1МЦ2С-63, 1МЦ2С-80, 1МЦ2С-100, 1МЦ2С-125
Цилиндрические плоские мотор-редукторы серии F
Мотор-редукторы планетарные тип: 3МП-31,5; 3МП-40; 3МП-50; 3МП-63; 3МП-80; 3МП-100; 3МП-125
Мотор-редукторы планетарные двухступенчатые МПО2М-10, МПО2М-15
Мотор-редукторы планетарные одноступенчатые типа МПО1М-10
Мотор-редукторы планетарные МРВ-02 и МРВ-04
Волновые мотор-редукторы ЗМВз
Цилиндро-конические мотор-редукторы K
|